欢迎来到处理网,请先
登录
|
注册
处理首页
推广服务
帮助
分类导航
行业市场
工程机械
车辆
环卫设备
矿山设备
化工设备
冶金设备
机床
造纸设备
印刷设备
纺织设备
服装设备
电力设备
制冷设备
建材设备
水泥设备
石材设备
陶瓷设备
洗涤设备
涂装设备
焊接设备
橡胶设备
塑料设备
包装设备
木工机械
农机
食品机械
环保设备
游乐设备
机器人
仪器
锅炉
风机
电梯
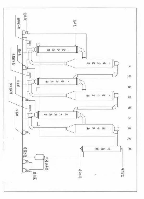
三效蒸发器
[
切换分类
]
搜索
免费发布信息
修改/删除
当前位置:
处理首页
»
化工设备
»
三效蒸发器
三效强制循环蒸发器5吨/小时不锈钢316L安装调试
编号:1071571983
发布:2025-2-5 01:27
浏览:136
价格
¥
面议
货源所属商家没有经过实名认证
成色
9成新
区域
安徽 » 蚌埠 »
交易范围
全国各地
联系人
王老板
信息有效期
长期
商家电话
在线咨询
企
主营商品:
进入店铺
全部商品
智能推广
查看详情
4.5吨三效钛材强制循环蒸发器停产出售附件齐全
面议
查看详情
全新3.2吨三效降膜蒸发器及泵控制柜采购
面议
查看详情
三效强制循环蒸发器-蒸发量13.6吨-材质316
面议
查看详情
2000升三效浓缩蒸发器支持视频验货
面议
查看详情
500升三效钛材蒸发器配件齐全即插即用精品设备
面议
查看详情
3吨三效钛材蒸发器高盐废水处理节能高效现货低价速订
面议
查看详情
1000L三效强制循环蒸发器 2205材质
面议
查看详情
2205材质三效循环蒸发器25T/h现货供应
面议
商品描述
三效强制循环蒸发器,产量5吨/小时,不锈钢316L,附件齐全,负责安装调试。